| 产品信息 | ||||
| 型号 | HSN04-□ | |||
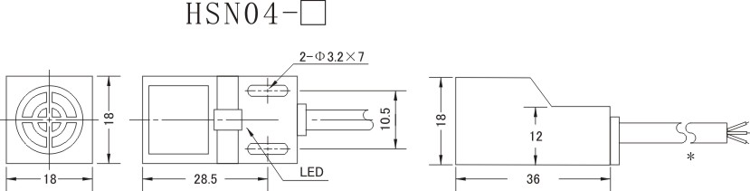
| 产品图片 |
|
|||
| 尺寸 |
|
|||
| 18*18*36mm | ||||
| 安装方式 | 非屏蔽式 | |||
| 型号 | 直流型 | NPN | NO | HSN04-N |
| NC | HSN04-N2 | |||
| NO+NC |
HSN04-N3 |
|||
| PNP | NO | HSN04-P | ||
| NC | HSN04-P2 | |||
| NO+NC |
HSN04-P3 |
|||
| 二线 | NO |
HSN04-D1 |
||
| NC |
HSN04-D2 |
|||
| 交流型 | 二线 | NO |
HSN04-Y1 |
|
| NC |
HSN04-Y2 |
|||
| 三线 | NO+NC |
|
||
| 检测距离 | 5mm ± 10% | |||
| 设定距离 | 0-4mm | |||
| 滞后距离 | 检测距离的10%以下 | |||
| 检测物体 | 磁性金属(非磁性金 属时检测距离减小) | |||
| 标准检测物体 | 铁18*18*1mm | |||
| 响应频率 | DC:0.5kHz AC:25kHz | |||
| 电源电压 |
直流型:DC12-24V(6-36V)脉动(P-P)10%以下 交流型:AC110-220V(36—250V)50/60Hz |
|||
| 耐电压 | AC1000V 50/60Hz 1min充电部分与外壳间 | |||
| 电压的影响 | 额定电源电压范围±15%以内、额定电源电压值时±10%检测距离以内 | |||
| 消耗电流 | N.P型:13mA以下,D型:0.8mA以下, A型:1.7mA以下 | |||
| 控制输出 | N.P型:300mA以下,D型:200mA以下, A型:400mA以下 | |||
| 回路保护 | N.P.D型:逆连接保护、浪涌吸收、负载短路保护, A型:浪涌吸收 | |||
| 环境温、湿度 |
动作时保护时:各-30—+65℃ (不结冰、不结霜), 动作时、保护时:各35—95%RH |
|||
| 温度的影响 |
温度范围-30—+65℃, +23℃时、±15%检测距离以内 温度范围-25—+60℃, +23℃时、±10%检测距离以内 |
|||
| 绝缘阻抗 | 50MΩ以上(DC500兆欧表)充电部分与外壳间 | |||
| 材质 | 外壳:ABS 检测面:ABS | |||
| 防护等级 | IP67(IEC规格) | |||